Газоанализатор (ГА) и Газоаналитическая система (ГС) "Сенсон-СВ-5021"
- Код 12911
- Бренд НИИИТ
-
Страна
Россия
Стационарная одноканальная газоаналитическая система для непрерывного контроля концентрации газа в рабочей зоне. Обеспечивает высокий уровень противоаварийной защиты в зонах, где возможно превышение концентрации горючих и токсичных веществ, а также превышение/снижение концентрации кислорода. Система предназначена для эксплуатации в особо жестких условиях с точки зрения климатических, механических и коррозионных воздействий.
В системе используется интеллектуальный сенсорный модуль (ИСМ) "Сенсон-СМ-9001".
- Внесен в государственный реестр СИ ФГИС АРШИН
- Первичная поверка включена в стоимость прибора
- Гарантия от завода-производителя
- Наличие сертификатов, соответствие ГОСТ и ТУ
- Доставка транспортными компаниями во все регионы России.
Основные технические характеристики газоаналитической системы "Сенсон-СВ-5021-СМ":
| Характеристика | Значение |
| Материалы корпуса: | • Алюминиевый сплав (модуль МКИУС); • нержавеющая сталь (модуль МКТ-1м) |
| Маркировка взрывозащиты модулей МКТ-1м и МКИУС | 1Ex d IIС T6 Gb Х |
| Степень защиты корпуса от внешних воздействий по ГОСТ 14254-2015 (IEC 60529:2013) | IP66 |
| Температура окружающей среды | –60...+50°С |
| Относительная влажность | До 95%, без конденсации влаги |
| Давление | От 84 до 120 кПа |
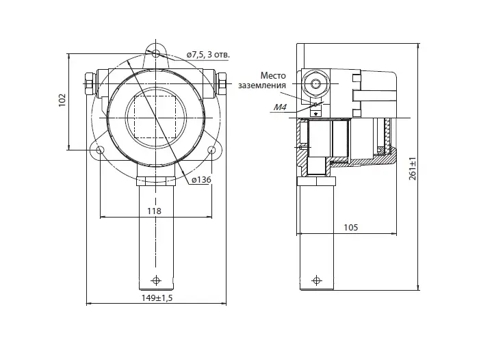
| Габариты, не более | 160×261×105 мм |
| Масса, не более | 1,8 кг |
| Кабельные вводы | Два кабельных ввода, подсоединительная резьба М20 × 1,5 |
| Напряжение электропитания: | |
| • номинальное | 24 В постоянного тока |
| • диапазон | 18–27 В постоянного тока |
| Потребляемая электрическая мощность, не более | 2,5 Вт |
| Выходные сигналы: | |
| • аналоговый | Токовая петля 4-20 мА |
| • цифровой | RS-485, протокол MODBUS RTU |
| • электронные реле "сухой контакт" | Нормально-разомкнутые ("Порог 1", и "Порог 2") 150 мА, до 27 В (постоянный или переменный ток) |
| Нормально-замкнутое ("Неисправность") 150 мА, 27 В (постоянный или переменный ток) | |
| Управление звукосигнальным устройством |
3 В; 150 мВт |
| Типы сенсоров | Оптические, полупроводниковые, термокаталитические, электрохимические |
| Время срабатывания сигнализации, не более |
10 с |
| Средний срок службы сенсора | До 3 лет |
| Средний срок службы ГС | 10 лет |
Основные технические характеристики газоаналитической системы "Сенсон-СВ-5021-СМ":
| Измеряемый компонент | Диапазон измерений | Диапазон показаний | Пределы основной относительной погрешности δ, % |
Код для заказа (G) |
| Полупроводниковые, оптические, электрохимические, термокондуктометрические и фотоионизационные сенсоры | ||||
| Диоксид азота NO2 | 0,1–30 мг/м3 | 0–30 мг/м3 | ±15 | NO2-2 |
| 10–500 мг/м3 | 0–500 мг/м3 | ±10 | NO2-3 | |
| Оксид азота NO | 0,1–30 мг/м3 | 0–30 мг/м3 | ±15 | NO-2 |
| 10–1000 мг/м3 | 0–1000 мг/м3 | ±10 | NO-3 | |
| Аммиак NH3 | 0,1–200 мг/м3 | 0–200 мг/м3 | ±15 | NH3-2 |
| 10–1500 мг/м3 | 00–1500 мг/м3 | ±10 | NH3-3 | |
| Водород H2 | 0,001–1 об. доля, % | 0–1 об. доля, % | ±15 | H2-1 |
| 0,01–4 об. доля, % | 0–4 об. доля, % | ±10 | H2-2 | |
| 1–100 об доля, % | 0–100 об доля, % | ±5 | H2-3 | |
| Хлористый водород HCl | 0,01–30 мг/м3 | 0–30 мг/м3 | ±25 | HCl-1 |
| Гелий He | 1–100 об. доля, % | 0–100 об. доля, % | ±20 | He-1 |
| Кислород O2 | 0,01–1 об. доля, % | 0–1 об. доля, % | ±10 | O2-1 |
| 0,1–30 об. доля, % | 0–30 об. доля, % | ±5 | O2-2 | |
| 1–100 об. доля, % | 0–100 об. доля, % | ±1 | O2-3 | |
| Метан CH4 | 0,001–1 об. доля, % | 0–1 об. доля, % | ±10 | CH4-1 |
| 0,01–5 об. доля, % | 0–5 об. доля, % | ±10 | CH4-2 | |
| 0–100 %НКПР | ±10 | CH4-4 | ||
| 1–100 об. доля, % | 0–100 об. доля, % | ±5 | CH4-3 | |
| Метанол CH3OH | 0,1–30 мг/м3 | 0–30 мг/м3 | ±20 | CH3OH-1 |
| Пропан C3H8 | 0,001–1,7 об. доля, % | 0–1,7 об. доля, % | ±10 | C3H8-1 |
| 0,06–100 %НКПР | 0–100 %НКПР | ±10 | C3H8-4 | |
| Сероводород H2S | 0,1–30 мг/м3 | 0–30 мг/м3 | ±10 | H2S-2 |
| 1–200 мг/м3 | 0–200 мг/м3 | ±10 | H2S-3 | |
| Диоксид серы SO2 | 0,1–30 мг/м3 | 0–30 мг/м3 | ±10 | SO2-2 |
| 1–300 мг/м3 | 0–300 мг/м3 | ±10 | SO2-3 | |
| Углеводороды С2–С10 | 50–3000 мг/м3 | 0–3000 мг/м3 | ±25 | CH-1 |
| 0,05–1 об. доля, % | 0–1 об. доля, % | ±10 | CH-2 | |
| 5–100 %НКПР | 0–100 %НКПР | ±10 | CH-4 | |
| Диоксид углерода СО2 | 100–2000 мг/м3 | 0–2000 мг/м3 | ±20 | CO2-1 |
| 0,01–5 об. доля, % | 0–5 об. доля, % | ±15 | CO2-2 | |
| 1–100 об. доля, % | 0–100 об. доля, % | ±10 | CO2-3 | |
| Оксид углерода CO | 0,1–300 мг/м3 | 0–300 мг/м3 | ±10 | CO-2 |
| 10–3000 мг/м3 | 0–3000 мг/м3 | ±10 | CO-3 | |
| Формальдегид H2CO | 0,1–30 мг/м3 | 0–30 мг/м3 | ±25 | H2CO-1 |
| Хлор Cl2 | 0,1–30 мг/м3 | 0–30 мг/м3 | ±10 | Cl2-2 |
| Этанол C2H5OH | 50–5000 мг/м3 | 0–5000 мг/м3 | ±25 | C2H5OH-1 |
| 0,01–1,55 об. доля, % | 0–1,55 об. доля, % | ±15 | C2H5OH-2 | |
| 0,32–50 %НКПР | 0–50 %НКПР | ±15 | C2H5OH-4 | |
| Термокаталитические сенсоры | ||||
| Водород H2 | 0,01–2 об. доля, % | 0–2 об. доля, % | ±10 | H2-21 |
| 0,25-50 %НКПР | 0-50 %НКПР | ±10 | H2-41 | |
| Метан CH4 | 0,01–2,5 об. доля, % | 0–2,5 об. доля, % | ±10 | CH4-21 |
| 0,23–57 %НКПР | 0–57 %НКПР | ±10 | CH4-41 | |
| Пропан C3H8 | 0,001–0,85 об. доля, % | 0–0,85 об. доля, % | ±10 | C3H8-11 |
| 0,06–50 %НКПР | 0–50 %НКПР | ±10 | C3H8-41 | |
| Углеводороды С2–С10 | 0,05–0,5 об. доля, % | 0–0,5 об. доля, % | ±10 | CH-21 |
| 5–50 %НКПР | 0–50 %НКПР | ±10 | CH-41 | |
| Этанол C2H5OH | 0,01–1,55 об. доля, % | 0–1,55 об. доля, % | ±15 | C2H5OH-21 |
| 0,32–50 %НКПР | 0–50 %НКПР | ±15 | C2H5OH-41 | |
| Модель | Описание | Код для заказа (Y) | Цена |
| СВ-5021 (релейная) | Газоаналитическая система с индикатором, электронными ключами “сухой контакт”. Передача информации по интерфейсу “Токовая петля 4-20 мА”. Модуль МКТ-1м встроен в прибор |
Нет | по запросу |
|
СВ-5021-02 |
Газоаналитическая система без индикатора, с электронными ключами “сухой контакт”. Передача информации по интерфейсу “Токовая петля 4-20 мА”. Модуль МКТ-1м встроен в прибор |
2 | по запросу |
| СВ-5021-03 (сетевая) | Газоаналитическая система с индикатором. Передача информации по интерфейсу “Токовая петля 4-20 мА” и RS-485 (MODBUS RTU). Модуль МКТ-1м встроен в прибор |
3 | по запросу |
| СВ-5021-10 (релейная) | Газоаналитическая система с индикатором, электронными ключами “сухой контакт”. Передача информации по интерфейсу “Токовая петля 4-20 мА”. Модуль МКТ-1м – удаленный (кабель, 1,8 м) |
1 | по запросу |
| СВ-5021-12 (релейная, без индикатора) |
Газоаналитическая система без индикатора, с электронными ключами “сухой контакт”. Передача информации по интерфейсу “Токовая петля 4-20 мА”. Модуль МКТ-1м – удаленный (кабель, 1,8 м) |
2 | по запросу |
| СВ-5021-13 (сетевая) | Газоаналитическая система с индикатором. Передача информации по интерфейсу “Токовая петля 4-20 мА” и RS-485 (MODBUS RTU). Модуль МКТ-1м – удаленный (кабель, 1,8 м) |
3 | по запросу |
Варианты конструктивного исполнения ГС "Сенсон-СВ-5021-СМ":
| Модель | Модуль коммутации | Индикатор и иллюминатор |
Реле | RS-485 |
| Интерфейсный модуль привинчен к корпусу МКИУС | ||||
| СВ-5021 | Релейный | Есть | Есть | Нет |
| СВ-5021-02 (без индикатора) |
Релейный | Нет | Есть | Нет |
| СВ-5021-03 | Сетевой | Есть | Нет | Есть |
| Интерфейсный модуль с проводом 1,8 м, предусмотрены кронштейн и гайка для крепления |
||||
| СВ-5021-10 | Релейный | Есть | Есть | Нет |
| СВ-5021-12 (без индикатора) |
Релейный | Нет | Есть | Нет |
| СВ-5021-13 | Сетевой | Есть | Нет | Есть |
Комплект поставки:
1. Газоанализатор "Сенсон-СМ-9001";
2. Модули МКИУС и МКТ-1м;
3. Паспорт на газоанализатор;
4. Руководство по эксплуатации;
5. Упаковка;
6. Дополнительные принадлежности (по выбору заказчика):
6.1. Кронштейн для монтажа на стену;
6.2. Гайка для крепления на кронштейн, шайба и кольцо заземления;
6.3. Адаптер питания 24 В;
6.4. Поверочная насадка-адаптер;
6.5. Преобразователь интерфейса RS-485-USB для связи с ПК;
6.6. Преобразователь интерфейса UART-USB для связи с ПК;
6.7. Барьер искробезопасности БИ-Exia-130-24;
6.8. Кабельные вводы;
6.9. Кабель электрический КУВ 6×0,35-100.
Документация по газоанализаторам Сенсон:
- Каталог газоанализаторов Сенсон 2021
- Руководство по эксплуатации на газоанализатор Сенсон-CВ-5021
- Свидетельство об утверждении типа средства измерения
- Утверждение типа в Республике Беларусь
- Утверждение типа в Республике Казахстан
- Сертификат ГОСТ Р МЭК 61508 SIL2
- Сертификат сейсмостойкости Сенсон
- Декларация о соответствии ТР ТС 020/2011 "Электромагнитная совместимость технических средств"
Программное обеспечение:
- Утилита для работы и калибровки газоанализаторов "Сенсон"
Пароль для калибровки предоставляется по запросу
Газоанализаторы (ГА) и газоаналитические системы (ГС) "Сенсон" модели СВ – это эффективные и надежные приборы. Они не требуют вмешательства персонала при эксплуатации, просты в установке и обслуживании, при этом обеспечивают высокие метрологические характеристики. О
Газоаналитическая система "Сенсон-СВ-5021-СМ" состоит из газоанализатора "Сенсон-СМ-9001" (интеллектуального сенсорного модуля – ИСМ), модуля коммутации, трансляции, индикации и управления (МКИУС), интерфейсного модуля (МКТ-3м) и комплекта вспомогательного оборудования. Газоанализатор "Сенсон-СМ-9001" является средством измерений и включен в Государственный реестр средств измерений. Только он подлежит периодической поверке в ходе эксплуатации. При этом не требуется демонтаж других элементов системы. Конструкция ГС обеспечивает простоту замены "Сенсон-СМ-9001". Важно, что в ГС интерфейс "Токовая петля 4-20 мА" носит вспомогательный (информационный) характер и не может использоваться для передачи метрологически значимой информации.
Газоанализаторы "Сенсон" модели СВ исполнения 5021 (далее "Сенсон-СВ-5021") конструктивно полностью идентичны газоаналитическим системам "Сенсон-СВ5021-СМ". Газоанализаторы "Сенсон-СВ" включены в Государственный реестр средств измерений и подлежат перодической поверке как единое устройство. Соответственно, интерфейс "Токовая петля 4-20 мА" в этих приборах служит для передачи метрологически значимой информации. Интеллектуальный сенсорный модуль в составе этих приборов не является независимым средством измерений и поверке не подлежит.
Преимущества использования ИСМ "Сенсон-СМ-9001":
Конструктивно ИСМ "Сенсон-СМ-9001" является объединенным в единый узел газовым сенсором и модулем вторичной обработки.В нем хранятся калибровочные и другие заводские константы, а также поддерживается открытый, унифицированный цифровой интерфейс для подключения к внешним устройствам.
Поскольку все метрологически значимые элементы сосредоточены в ИСМ, а также благодаря тому, что он является полностью законченным устройством, данному модулю присвоен тип средства измерения. Таким образом, он является
законченным газоанализатором. Соответственно, для замены, ремонта, проведения ежегодной периодической поверки достаточно открутить защитную крышку и просто извлечь ИСМ из коннектора, а на его место можно сразу вставить другой, закрутить крышку (просто рукой) - и прибор снова готов к работе.
Таким образом, концепция ИСМ кардинально снижает стоимость владения приборным парком газоанализаторов, за счет:
- кардинального снижения временных затрат на демонтаж оборудования для поверки и ремонта;
- снижение стоимости запаса подменного оборудования;
- увеличения автономного эксплуатационного ресурса удаленных объектов, в том числе - бортового базирования.
Область применения:
Газоаналитические системы "Сенсон-СВ-5021-СМ" выпускаются во взрывозащищенном исполнении (d-оболочка). Область применения ГА – взрывоопасные зоны классов 1 и 2,в которых при нормальной эксплуатации электрооборудования и/или в случае возникновения аварии возможно образование взрывоопасных газовых смесей:
• в местах установки технологического оборудования в процессе добычи, переработки, транспортировки и хранения нефти и газа:
• на буровых и добывающих платформах,
• на перекачивающих станциях магистральных нефте- и газопроводов,
• у резервуаров хранения нефти и нефтепродуктов, сжиженного газа;
• на предприятиях химической и металлургической промышленности, лакокрасочных производствах, производствах удобрений и пластмасс;
• на сельскохозяйственных объектах (животноводческие фермы, хранилища сельскохозяйственной продукции, элеваторы и др.);
• на предприятиях пищевой промышленности;
• в очистных сооружениях;
• на предприятиях топливно-энергетического комплекса, котельных;
• в бортовых системах морских и речных судов;
• на объектах прибрежной зоны (наливные эстакады, морские терминалы и пр.);
• во множестве других приложений.
Устройство газоаналитической системы:
ГС "Сенсон-СВ-5021-СМ-СМ" выполнена по модульному принципу. Конструктивно она состоит из:
• интеллектуального сенсорного модуля (ИСМ) – газоанализатора "Сенсон-СМ-9001",
• интерфейсного модуля (МКТ-1м),
• модуля коммутации, индикации, управления и сопряжения (МКИУС)


Оставить заявку
Россия, Московская область, Истра, улица Главного Конструктора В.И. Адасько, 9