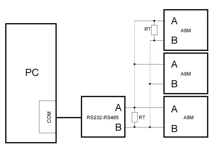
Программа имеет два режима работы: Рабочий и Демонстрационный. Режим выбирают в меню Настройки после запуска программы. Демонстрационный режим предназначен для изучения и демонстрации работы программы без подключения сети пультов. Других отличий в работе этих режимов нет. В Демонстрационном режиме программа самостоятельно генерирует произвольные данные. В Рабочем режиме данные считываются из пультов. Для запуска программы вводят номер COM-порта, к которому подключен переходник RS232-RS485 и нажимают на кнопку СТАРТ. При этом начинается опрос сети пультов по всем адресам от 0 до 255. Для корректной работы сети в каждом пульте в меню необходимо предварительно установить уникальный адрес от 1 до 254. Не рекомендуется устанавливать адреса 0 и 255, т.к. они зарезервированы для служебных операций в сети. После опроса выдается сообщение, которое информирует пользователя о том, что конфигурация сети не изменилась (совпадает с сохраненной в базе данных).
Если конфигурация изменилась или отличается от сохраненной в Базе Данных , потребуется реконфигурация сети с помощью Конфигуратора, так как при несовпадении конфигурации работа сети блокируется программой.
Программа позволяет разграничить права доступа к основным ресурсам. По умолчанию программа запускается в режиме Пользователь, в котором доступны лишь основные возможности - сбор данных от пультов и их наблюдение в режиме Таблица или Осциллограф. Режим Администратор позволяет дополнительно управлять конфигурацией сети, осуществлять реконфигурацию сети, считывать, сохранять и записывать конфигурации пультов в базу данных, активировать и деактивировать пульты в сети, проводить архивирование данных и осуществлять другие служебные операции. Для перехода в режим Администратор необходимо в меню Настройки выбрать пункт Администратор и ввести пароль.
После перехода в режим Администратора в меню Настройки становится доступна таблица конфигурации пультов сети. При выборе пункта Таблица пультов сети появляется таблица, содержащая текущую конфигурацию сети в БД. Данная таблица позволяет менять описания пультов, активировать пульты и запускать конфигуратор. Активные пульты участвуют в процессе сбора данных. Неактивные пульты программой не опрашиваются, данные с их каналов не сохраняются в базе данных. Для активизации пульта необходимо выбрать неактивный пульт в таблице и нажать кнопку Активный(+). В столбце Активный (+) пульт напротив выбранного пульта возникает значок + .Для отключения пульта (деактивации) необходимо выбрать в таблице активный пульт и нажать кнопку Активный(+) еще раз. Значок + напротив пульта пропадет. Активность пульта не влияет на его работу.
Скачать протокол взаимодействия контроллера с программой